Skip to content
EDUCATIONAL STUFFS
EDUCATIONAL STUFFS

An Ocean of Information

  • Home
  • SSC
    • SSC CGL
    • SSC CHSL
    • SSC JE
  • DIPLOMA
    • Engineering Drawing
    • Elements of Workshop Technology
    • Operations Management
    • Applied Mehanics
    • Strength of Materials
    • Materials Science
  • UPSC
    • Geography
  • Previous Year Papers
    • DSSSB
      • MOCK TEST
      • PAPERS
    • KENDRIYA VIDYALAYA
      • PRACTICE SETS
    • CTET
      • Assessment
      • Debates
      • Development
      • Disability
      • Emotional
      • Gender
      • Gifted
      • Inclusive
      • Intelligence
      • Kohlberg
      • Language
      • Motivation
      • Piaget
      • Socialization
      • Thinking
      • Vygotsky
  • MISCELLANEOUS
    • Road Safety
    • Multiple Choice Questions (MCQs)
      • Electrician
      • Fitter
      • Mechanic Diesel
      • Employability Skills
      • Welder
      • Workshop Calculation & Science
  • STORIES
  • About US
  • Contact Us
EDUCATIONAL STUFFS

An Ocean of Information

July 7, 2023June 7, 2023

MECHANIC DIESEL- Charging and Starting System MCQ

Prepare for your examinations with a set of multiple choice questions (MCQs) related to Charging and Starting System for MECHANIC DIESEL Trade. The questions are likely designed to test a user’s knowledge or understanding of Mechanic Diesel concepts and may be useful for exam preparation or self-assessment. The website may be a helpful resource for individuals studying to become Mechanic Diesel or seeking to improve their understanding of Mechanic Diesel principles.

 

CHARGING and STARTING SYSTEM

Which one is strong electromagnetic switch in starting system?
What is the function of the regulator in an alternator?
Which part prevents back flow of current in alternator?
Which one is connected to the starter motor shaft?
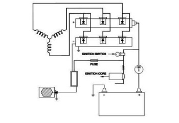
What is the name of the circuit?
Which one is connected in the circuit between battery and starting motor?
What is the name of part marked as x?
What is the name of the part marked as x?
Carbon brushes are contact with ___________ in a starting motor.
Which part produces electricity in a vehicle?
What is the name of the circuit?
Which is the rotating part of an alternator?
Which part is used to allow current in only one direction in alternator?
Which one produces AC supply?
Which one produces DC supply?
What is the name of the test carried out?
Which system is used to the crank the engine?
Which is used to turn the engine flywheel in the starting system?
Which winding helps to produce the magnetic field in starting system?
Which one of the component is used to convert AC to DC in an alternator?
How does alternator gets drive from engine?
Where does slip ring is used?
Where does commutator is used?
What is the name of test carried out?
What is the possible cause for no charge when engine is running?
Which one causes low voltage output from the alternator?
Which one is the possible cause for charges at high rate?
Which one is the possible cause for noisy alternator?
What is the name of the test carried out?

 

 

For more Practice Sets- CLICK HERE

Mechanic Diesel MISCELLANEOUS Multiple Choice Questions (MCQs) bharat skillbharat skillsbharat skills mcqbharat skills multiple choice questionbharat skills multiple choice question bankbharat skills multiple choice questionsbharat skills practice questionsbharat skills questionsCarbon brushes are contact with ___________ in a starting motor.degreeDelhi Skill and Entrepreneurship Universitydiesel mechanicdiplomadseuHow does alternator gets drive from engine?What is the function of the regulator in an alternator?What is the name of part marked as X?What is the name of the circuit?What is the name of the test carried out?What is the possible cause for no charge when engine is running?Where does commutator is used?Where does slip ring is used?Which is the rotating part of an alternator?Which is used to turn the engine flywheel in the starting system?Which one causes low voltage output from the alternator?Which one is connected in the circuit between battery and starting motor?Which one is connected to the starter motor shaft?Which one is strong electromagnetic switch in starting system?Which one is the possible cause for charges at high rate?Which one is the possible cause for noisy alternator?Which one of the component is used to convert AC to DC in an alternator?Which one produces AC supply?Which one produces DC supply?Which part is used to allow current in only one direction in alternator?Which part prevents back flow of current in alternator?Which part produces electricity in a vehicle?Which system is used to the crank the engine?

Post navigation

Previous post
Next post

Leave a Reply Cancel reply

Your email address will not be published. Required fields are marked *

Archives

Categories

Pages

  • About US
  • Contact Us
  • Legal Disclaimer
©2025 EDUCATIONAL STUFFS | WordPress Theme by SuperbThemes