Skip to content
EDUCATIONAL STUFFS
EDUCATIONAL STUFFS

An Ocean of Information

  • Home
  • SSC
    • SSC CGL
    • SSC CHSL
    • SSC JE
  • DIPLOMA
    • Engineering Drawing
    • Elements of Workshop Technology
    • Operations Management
    • Applied Mehanics
    • Strength of Materials
    • Materials Science
  • UPSC
    • Geography
  • Previous Year Papers
    • DSSSB
      • MOCK TEST
      • PAPERS
    • KENDRIYA VIDYALAYA
      • PRACTICE SETS
    • CTET
      • Assessment
      • Debates
      • Development
      • Disability
      • Emotional
      • Gender
      • Gifted
      • Inclusive
      • Intelligence
      • Kohlberg
      • Language
      • Motivation
      • Piaget
      • Socialization
      • Thinking
      • Vygotsky
  • MISCELLANEOUS
    • Road Safety
    • Multiple Choice Questions (MCQs)
      • Electrician
      • Fitter
      • Mechanic Diesel
      • Employability Skills
      • Welder
      • Workshop Calculation & Science
  • STORIES
  • About US
  • Contact Us
EDUCATIONAL STUFFS

An Ocean of Information

November 29, 2023November 6, 2023

WELDER- Plasma Arc Cutting & Resistance Welding MCQ

Prepare for your examinations with a set of multiple choice questions (MCQs) related to Plasma Arc Cutting & Resistance Welding for Welder Trade. The questions are likely designed to test a user’s knowledge or understanding of Mechanic Diesel concepts and may be useful for exam preparation or self-assessment. The website may be a helpful resource for individuals studying to become Welder or seeking to improve their understanding of Welder principles.

 

Plasma Arc Cutting & Resistance Welding

What is the temperature in the weld area plasma arc welding process?
What material is used to make electrode in spot welding?
Which resistance welding machine is provided with an electrode in wheel shape?
What is the name of part marked as 'x' in the plasma arc welding?
What is the name of part marked as 'x' in the plasma arc welding?
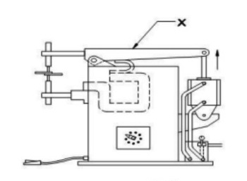
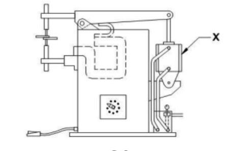
What is the name of part marked as 'x' in the spot welding machine?
What is the name of part marked as 'x' in the spot welding machine?
What is the name of part marked as 'X' in the spot welding?
Which welding process effects weld joints under heavy pressure, with supply cut off?
Which resistance welding process produces a bulge at weld joint?
What is the angle of "offset tip" electrode used in spot welding?
Which electrode is movable in spot welding?
Which electrode is used in plasma arc welding?
Which welding process where a nugget' is formed in the weld joint?
Which welding process is used to weld stainless steel wire mesh and surgical instruments?
Which process is used to cut stainless steel metal?
Which gas is suitable for welding of stainless steel, nickel alloys by plasma arc welding?
Which gas is suitable for welding of carbon steel and titanium by plasma arc welding process?
What is the current range in micro plasma arc welding process?
What is the cause for nugget in spot welding process?
Which is the process to attain full penetration of weld in 10 mm stainless steel?
Which welding process spot welding is belonging?
Which process cuts the stainless steel, carbon steel with the help of high jet velocity?

 

 

For more Practice Sets- CLICK HERE

MISCELLANEOUS Multiple Choice Questions (MCQs) Welder

Post navigation

Previous post
Next post

Leave a Reply Cancel reply

Your email address will not be published. Required fields are marked *

Archives

Categories

Pages

  • About US
  • Contact Us
  • Legal Disclaimer
©2025 EDUCATIONAL STUFFS | WordPress Theme by SuperbThemes