COTTER JOINTS:
For certain applications it is required that the length of the rod or shaft is to be increased. The length of the rod can be increased by providing certain joints at proper places by means of various joints, maintaining proper strength which is known as Cotter Joints.

A joint formed by using a cotter is called cotter joint. A cotter is a flat wedge shaped piece, made of steel. It is uniform in thickness but tapering in width, generally on one side; the usual taper being 1:30. The lateral (bearing) edges of the cotter and the bearing slots are generally made semi-circular instead of straight. This increases the bearing area and permits drilling while making the slots. The cotter is locked in position by means of a screw.
The cotter is inserted through the sleeve or socket or a spigot at right angle of axis of shafts.
SPIGOT AND SOCKET JOINT:

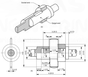
It is used for fastening two circular rods. In this type of joint, a socket is formed by enlarging the end of one rod. The end of spigot end of the second shaft is fitted in this socket. A cotter is driven into rectangular holes, tightly which are in alignment except an adjustment of a few millimeters. The cotter when driven by hammer strokes from top, presses the spigot towards the socket due to its tapered edge. The edge of the cotter towards end of the socket is vertical having a clearance between cotter and socket, the tapered edge has clearance between cotter and socket. The cotter comes into contact with the spigot and socket on the opposite sides.

SLEEVE AND COTTER JOINT:

It is used for fastening two circular rods. To make the joint, the rods are enlarged at their ends and slots are cut. After keeping the rods butt against each other, a sleeve with slots is placed over them. After aligning the slots properly, two cotters are driven-in through the slots, resulting in the joint. The rod ends are enlarged to take care of the weakening effect caused by the slots.
The slots in the rods and sleeve are made slightly wider than the width of cotter. The relative positions of the slots are such, that when a cotter is driven into its position, it permits wedging action and pulls the rod into the sleeve.
The clearance between cotter and sleeve is made to obtain firm gripping of the parts. The sleeve works as a socket and is a hollow cylinder which accommodates the end of the rod.

GIB AND COTTER JOINT:

This joint is generally used to connect two rods of square or rectangular cross-section. To make
the joint, one end of the rod is formed into a U-fork, into which, the end of the other rod fits in. When a cotter is driven-in, the friction between the cotter and straps of the U-fork, causes the
straps to open. This is prevented by the use of a gib.
Rectangular holes are made in fork shape rod, other rod end with a rectangular hole is placed in the fork end to accommodate gib and cotter. The gib is first placed in the hole which are to be in the same plane. Then the cotter is driven-in to make the joint tight. Necessary clearance is made to make the joint effectively tight.
A gib is also a wedge shaped piece of rectangular cross-section with two rectangular projections called lugs. One side of the gib is tapered and the other straight. The tapered side of the gib bears against the tapered side of the cotter such that, the outer edges of the cotter and gib as a unit are parallel. This facilitates making of slots with parallel edges, unlike the tapered edges in case of ordinary cotter joint. Further, the lugs bearing against the outer surfaces of the fork, prevents the opening tendency of the straps.
KNUCKLE OR PIN JOINT:

A knuckle joint is a pin joint used to fasten two circular rods. In this joint, one end of the rod is
formed into an eye and the other into a fork (double eye). For making the joint, the eye end of
the rod is aligned into the fork end of the other and then the pin is inserted through the holes
and held in position by means of a collar and a taper pin. Once the joint is made, the rods are free to swivel about the cylindrical pin.
RELATED VIDEOS FOR COTTER JOINTS: