GEOMETRICAL FIGURE
Draw various geometrical figure using the procedure mentioned for each question given below.
Draw a Geometrical Figure (Square) of side 50 mm.

- Draw a line AB 50 mm long.
- ‘A’ as centre, draw an arc of convenient radius ‘r’ touching the line AB at ‘P’ as shown in Figure.
- ‘P’ as centre and radius ‘r’ draw another arc cutting the earlier drawn arc at `Q’.
- ‘Q’ as centre and radius ‘r’, draw another arc cutting at ‘R’.
- Bisect QR at S and extend.
- Mark 50 mm on AS extended line. AD = 50 mm.
- From points B and D, draw parallels to AD and AB and complete the square ABCD.
Draw a Geometrical Figure (Square) of side 60 mm using 45° setsquare and compass.

- Draw a horizontal line AB = 60 mm long.
- From points A and B, using 45° setsquare, draw 45° lines both intersecting at ‘0’.
- Draw a circle of radius OA or OB with centre ‘0’.
- ‘A’ as centre and AB as radius, draw an arc. The arc cuts the circle at D.
- Similarly draw an arc with centre D with radius AB and get point C.
- Join AD, DC & CB and complete the square.
Draw a Geometrical Figure (Square) of side 60 mm long by erecting perpendicular and also using 45° set square.

- Draw line AB equal to 60 mm.
- Erect perpendicular from A and B using 60° or 45° setsquare.
- Draw 45° from A and B, cutting perpendicular lines at C and D.
- Join A,D,C and B. ABCD is required square.
Draw Square having diagonal 60 mm

- Draw horizontal and vertical centre lines intersecting at ‘0’.
- ‘0’ as centre, draw a circle of radius 30 mm passing through centre lines at A,B,C and D.
- Join points A-B, B-C, C-D and D-A. ABCD is the required square, whose diagonal is 60 mm.
Draw a Rectangle with sides 75 mm and 45 mm using setsquare and compass.

- Draw the side AB equal to 75 mm.
- Erect perpendiculars at A and B.
- Mark off a height 45 from A and B, at D and C.
- Join C and D to complete the rectangle.
Draw a Rectangle with Diagonal 60 mm and one side 20 mm.
1st method (Fig a)

- Draw a line AB 60 mm.
- Draw a circle with AB as its diameter.
- ‘A’ as centre, draw an arc of R20, cutting the circle at D.
- Join AD and BD.
- Draw AC parallel to DB.
- Join BC and complete the rectangle.
2nd method (Fig b)

- Draw a line AD = 20 mm long.
- Draw perpendiculars from A and D upwards.
- A and D as centres, draw arcs of 60 mm radius cutting at B and C.
- Join BC.
- ADBC is the required rectangle of side 20 mm and diagonal 60 mm.
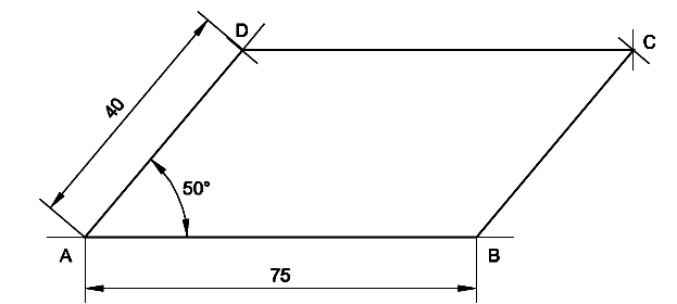
Draw a parallelogram with sides 75 mm and 40 mm and angle 50°.

- Draw line AB 75 mm long.
- Draw line AD equal to 40 mm and 50° angle to AB.
- D as centre, draw an arc of radius equal to AB.
- ‘B’ as centre, draw an arc of radius equal at AD, upwards such that they meet at a point ‘C’.
- ABCD is the required parallelogram.
Draw a Parallelogram with side – 60 mm , Diagonal – 90 mm and Angle 120°.

- Draw a line AB = 60 mm.
- Draw a line from B at angle of 120° to AB.
- ‘A’ as centre with radius 90 mm, draw an arc cutting 120° line from B at C.
- `C’ as centre, radius = AB, draw an arc.
- Similarly `A’ as centre and BC as radius, draw another arc, both arcs meet at `D’.
- Join AD and DC.
- ABCD is the required parallelogram.
Draw a parallelogram with sides 55 mm and 40 mm and vertical height of 30 mm.

- Draw the line AB 55 mm long.
- A and B as centres and radius (R) 30 mm, draw arcs above the line.
- Draw a common tangential line (parallel to base AB) to the arcs.
- A and B as centers, draw an arc of 40 mm radius cutting the line at D and C.
- ABCD is the required parallelogram.
Draw a Rhombus with diagonals of 80 mm and 50 mm.

- Draw a line AB equal to 80 mm.
- Draw perpendicular bisector of AB, passing through 0.
- Mark OC = OD = 25 mm.
- Join the points AC, CB, BD and DA to complete the rhombus.
Draw a tangent to a given circle of Φ 70 mm at any point `P’ on it.

- Draw a circle of φ 50 with `O’ as centre.
- Mark the given point `P’ on the circumference of the circle.
- Join OP.
- Draw a line RS perpendicular to PO through `P’.
- RS is the tangent at `P’.
Draw an arc of given radius (R 20 mm) to touch to two straight lines (50 mm each) at right angles.

- Draw the lines AB and AC (50 mm each) at right angles.
- With `A’ as centre and given radius (R 20 mm) draw an arc to cut lines AB and AC at E and F.
- With E and F as centres and the radius given (R 20 mm), draw arcs to intersect each other at `O’.
- Use `O’ as centre and with same radius (R 20) draw a curve (arc) which will just touch the given lines AB and AC.
Draw an arc of given radius (R 20 mm) to touch the given lines which make an acute angle between them (assume 60°).

- Draw an acute angle BAC (60°).
- Draw a horizontal parallel line EF at a distance equal to the given radius (20 mm).
- Draw another angular parallel line GH at a distance of given radius 20 mm. Both the parallel lines drawn meet at `O’.
- With `O’ as centre and `r’ as radius (20 mm) draw an arc touching both lines AB and AC.
Draw a loop of 3 circles pattern.

- Draw any line MN and mark points A,B and C. So that AB = 20 mm and BC = 25 mm.
- With ‘A’ as centre draw concentric circles of dia 15 mm and dia 20 mm.
- With ‘B’ as centre draw concentric circles of Φ 20 mm and Φ 25 mm.
- With ‘C’ as centre draw concentric circles of Φ 25 mm and Φ 30 mm.
- Erase unwanted part of the circles to form the pattern.
For More Previous Year Question Papers – CLICK HERE